





Ray bánh xe 400mm mở 3/4 Hafele 431.16.703
Giá gốc là: 42,000VNĐ.31,500VNĐGiá hiện tại là: 31,500VNĐ.
Mô tả
Ray bánh xe 400mm mở 3/4 Hafele 431.16.703
» Phiên bản: tự đóng, dẫn hướng bởi: 4 con lăn bằng nhựa polyamide
» Điều chỉnh: Điều chỉnh chiều cao thông qua các lỗ có rãnh trên thanh ray
» Chất liệu: Thép
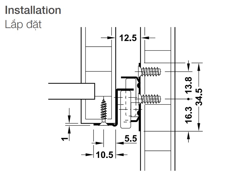
» Kích thước:
• Chiều dài: 400mm
• Chiều rộng ray hộp tối đa = chiều rộng lọt lòng + 25mm
» Lắp đặt: ở mặt bên thành hộc tủ
» Mặt bên ổn định nhờ sự dẫn hướng tự động trên mặt bên phải
» Tải trọng: 20kg
» 20.000 lần đóng mở theo tiêu chuẩn DIN EN 15338 Level 1
» Trọn bộ gồm: 1 cặp ray với 4 phần tách riêng.
» Đóng gói: 1 bộ

Ray bánh xe 400mm mở 3/4 Hafele 431.16.703

Kích thước lắp đặt ray bánh xe 400mm mở 3/4 Hafele 431.16.703

Bảng mã ray bánh xe mở 3/4 Hafele
Ray bánh xe mở 3/4 Hafele độ bền cao, giá hợp lý, Ánh Ban Mai cam kết cung cấp hàng Chính Hãng Hafele, chế độ bảo hành bảo trì Chính Hãng, đội ngũ kỹ thuật Hafele hỗ trợ hướng dẫn lắp đặt sau khi giao hàng (nếu cần).
Hãy gọi ngay cho chúng tôi 0933280003 / 0896680006 (zalo/viber) để được tư vấn chuẩn xác & đặt hàng với CHẤT LƯỢNG VÀ GIÁ TỐT NHẤT.
Thông tin bổ sung
| Sản xuất tại | Trung Quốc (China) |
|---|---|
| Giao hàng | Giao hàng miễn phí nội thành HCM với đơn hàng 5 triệu trở lên (trong phạm vi bán kính 12km). Với đơn hàng có thanh ray dài 2met trở lên, Quý Khách vui lòng chờ báo lại phí giao hàng. |
| Nội dung trên Website và Catalogue | Hình ảnh, kích thước, thông số, màu sắc, giá bán sản phẩm: mang tính chất minh họa, có quyền thay đổi không cần báo trước theo sự điều chỉnh của Nhà Sản Xuất |






